电伴热带控制箱是整个系统的中枢,内设有配电系统、数字显示温度控制仪表。所以,电伴热带控制箱必须符合防爆(dIIBT4)和防护(IP54)等级。
配电系统为电伴热带提供电源及短路、负载、漏电安全防护等功能,常用电压为220V和380V,额定电流根据使用要求可定制,必要时可加装稳压器和变压器,故也被称为“电伴热带配电箱”;温度控制仪表控制控制伴热带在设定的范围值内运行,达到上限自动断电,达到下线自动送电,并以数字的方式显示出来,直观明了,操作简单。
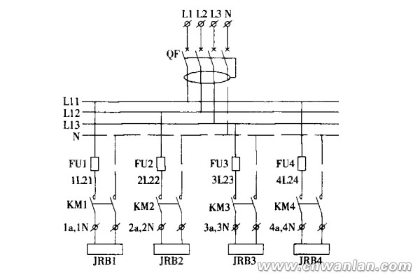
电伴热带控制箱的配置由生产厂家完成,用户需要弄明白是现场安装和操作设置,这就需要了解其电路和温度控制原理。为便于用户的操作,我们在这里以图片的形式,向用户说明电伴热带系统的配电、接线和温度控制原理(见下图)。示例说明:进线电压380V,出线220V,额定电流18A,配置4个回路的伴热带接线。


相关信息:

